Proportional Control Valve

Mechanical Engineering Project · January 2024 – January 2025

What is a Proportional Control Valve?

A proportional control valve is a type of pneumatic valve that controls air flow rate proportionally to an electrical input signal — unlike a simple on/off valve, it can continuously adjust flow, pressure, or direction based on a varying current or voltage input. By precisely regulating the spool position via an electromagnetic coil (solenoid), it achieves smooth, fine-grained control of pneumatic actuators (cylinders or grippers), enabling variables such as cylinder velocity, output force, and motion trajectory to be modulated with high accuracy.

This project covers the complete product lifecycle: concept design, detailed CAD modeling, kinematic analysis, tolerance stack-up management, prototype testing, supply chain coordination, and production documentation — applying mechanical engineering fundamentals to a real-world industrial component.

Design Overview

Proportional Control Valve Overview

This assembled view highlights my ability to turn a valve concept into a complete product form, integrating the main body, brass base, electrical connector, and pneumatic ports into one manufacturable design.

📄 Valve Manual (PDF)

Detailed CAD

Detailed CAD

This 3D CAD model reflects detailed mechanical design work, with the housing, top cap, connector, brass base, and outlet features integrated into a coherent assembly.

Working Principle

This sectional animation demonstrates my understanding of the internal actuation path, showing how the central spool moves inside the housing during valve operation.

R&D Process Management

R&D Process

This schedule chart reflects hands-on project coordination across testing, drawing release, endurance validation, and assembly, with each task tracked over the 2024 development cycle.

Supply Chain Management

Supply Chain

This supplier database reflects practical supply-chain work, organizing machining, mold, and actuator vendors with contacts, ratings, pricing, and inspection status for sourcing decisions.

Multi-functional Teams Collaboration

Team Collaboration

This schematic sheet shows involvement beyond mechanics, covering the control-side circuit with chips, resistors, capacitors, transistors, and signal interconnections.

Production Requirements

Production Requirements

This manufacturing drawing demonstrates detail-oriented engineering output, defining the valve core through views, sections, dimensions, and material notes for production.

Combined Tolerance Inspection

Tolerance Inspection

This tolerance analysis highlights inspection and quality-control work, using 3D and 2D scatter plots to compare measured valve-body and valve-core dimensions against limits.

Spring Force Testing

Spring Force Testing

This spring characteristic plot reflects test-driven design work, comparing force-length behavior across multiple spring materials or design variants.

← Back to Homepage

电气比例控制阀

机械工程实训项目 · 2024年1月 – 2025年1月

什么是电气比例控制阀?

电气比例控制阀是一种根据电信号(电流或电压)连续调节气压气体流量、压力或方向的阀门——与简单的开关阀不同,它能实现平滑、精细的气压执行器控制。通过电磁线圈通电产生的电磁力驱动阀芯移动,改变阀口开度,使输入信号与阀芯位移呈线性比例关系,从而精准控制气缸的速度、输出力和运动轨迹。

本项目涵盖电气比例控制阀的完整产品生命周期:概念设计、详细 CAD 建模、运动学分析、公差累积计算、原型测试、供应链协调与生产工艺文件编制,将机械工程基础知识应用于真实的工业零部件开发。

整体设计

电气比例控制阀整体设计

这张装配渲染图体现了我把比例阀从概念落实为完整产品形态的能力,把主体、黄铜底座、电连接器和气路接口整合进同一套可制造设计中。

📄 阀门使用说明书 (PDF)

详细 CAD 模型

详细 CAD

这张 CAD 图体现了细化机械设计能力,把壳体、上盖、连接器、黄铜底座和接口特征整合为一套完整三维模型。

工作原理

这个剖面动画体现了我对内部执行机理的理解,直观展示了中间阀芯组件在壳体内的运动过程。

研发流程管理

研发流程管理

这张进度甘特表体现了我对研发流程的统筹能力,覆盖电机测试、传感器测试、机加图纸、弹簧测试、耐久测试和装配等任务。

供应链管理

供应链管理

这张供应商数据库体现了实际供应链管理工作,把机械加工、模具加工、执行器等供应商按类别整理,并补充联系方式、评分、价格和检测状态。

多职能团队协作

多职能团队协作

这页电子原理图体现了我在机械之外对控制电路的理解,展示了芯片、电阻、电容、三极管等元器件之间的连接关系。

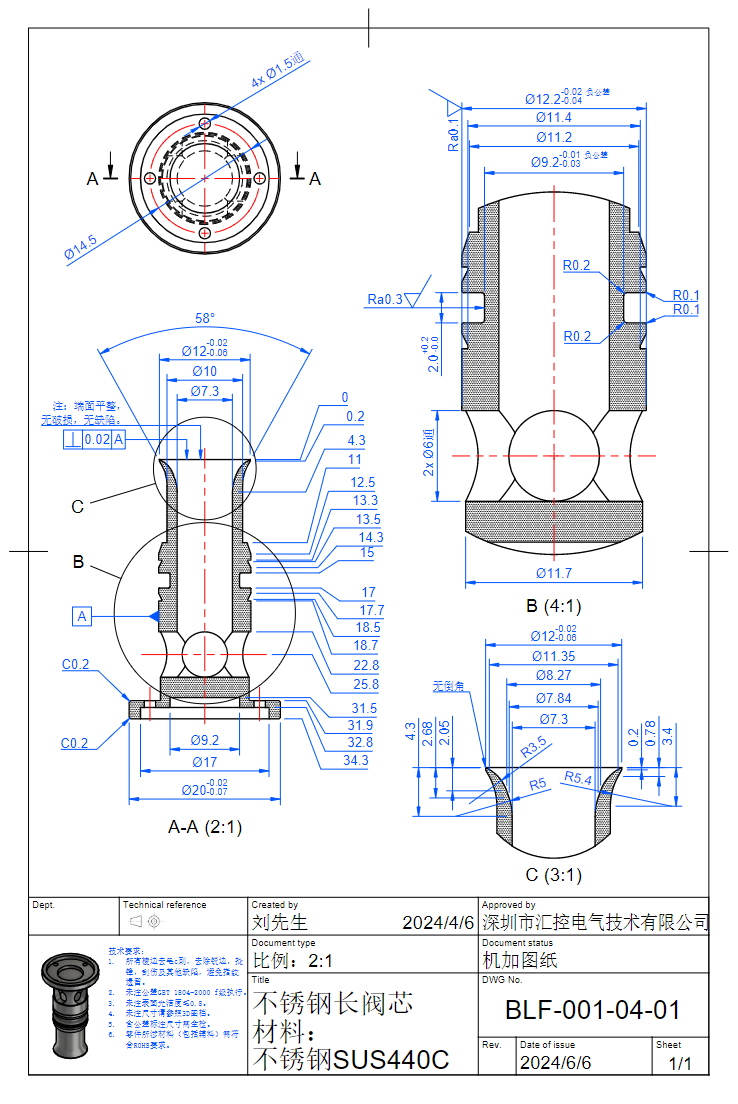
生产要求

生产要求

这张阀芯机械加工图体现了面向生产的工程输出能力,通过主视图、剖视图、局部放大图、尺寸和材料信息定义零件制造要求。

综合公差检测

综合公差检测

这张综合公差检测图体现了质量与检测能力,用 3D 和 2D 散点图对比阀体与阀芯组合的实测尺寸和公差边界。

弹簧力测试

弹簧力测试

这张弹簧特性曲线图体现了测试驱动的设计思路,通过作用力—长度曲线对比不同材料或方案下的弹簧表现。

← 返回首页